RENAULT PREMIUM 2003 ГОД ЗАРЯДКА ТОЛЬКО ПОСЛЕ ПЕРЕГОЗОВКИ
-
gastorbayter_
- Сообщения: 43
- Зарегистрирован: Ср июн 22, 2011 12:19 am
- Откуда: новороссийск
RENAULT PREMIUM 2003 ГОД ЗАРЯДКА ТОЛЬКО ПОСЛЕ ПЕРЕГОЗОВКИ
RENAULT PREMIUM 2003 ГОД ЗАРЯДКА ПОЯВЛЯЕТСЯ ПОСЛЕ ПЕРЕГАЗОВКИ,ЩЕТКИ С РЕГУЛЯТОРОМ ПОМЕНЯЛИ,РЕЗУЛЬТАТОВ НЕТ.На приборной панели ошибок нет. При каждом пуске двигателя немного перегазуешь зарядка появляется,куда копать?Автомобиль только что принял,предыдущие водители говорили что такая ситуация уже давно.Если было бы что-то с генератором, то зарядки в принципе никогда не было бы .Может какой нибудь диод фальшивит? 25-Й провод прозвонить?Поможет?На реношках которые постарше там если даже лампочка аккамулятора перегорает, будет такая проблема.А тут другая панель.РЕБЯТ, ВЫРУЧАЙТЕ, ЗАВТРА ВЕЧЕРОМ В РЕЙС!!! С МЕНЯ МАГАРЫЧ!!!
Модератор: Автору сообщения - предупреждение!
Наименования марок и моделей транспортных средств, систем и агрегатов, диагностического оборудования и программного обеспечения следует писать в оригинальной транскрипции.
Требования к грамотной терминологии на форуме обусловлены необходимостью функционирования поиска информации по форуму. Это также позволяет уменьшить количество вновь создаваемых тем-дублеров.
Внимание! После трех предупреждений аккаунт пользователя на форуме блокируется!
Модератор: Автору сообщения - предупреждение!
Наименования марок и моделей транспортных средств, систем и агрегатов, диагностического оборудования и программного обеспечения следует писать в оригинальной транскрипции.
Требования к грамотной терминологии на форуме обусловлены необходимостью функционирования поиска информации по форуму. Это также позволяет уменьшить количество вновь создаваемых тем-дублеров.
Внимание! После трех предупреждений аккаунт пользователя на форуме блокируется!
-
trufanov
- Сообщения: 617
- Зарегистрирован: Пт янв 24, 2014 3:17 pm
- Откуда: Старый Оскол
- Контактная информация:
Re: РЕНО ПРЕМИУМ 2003 ГОД ЗАРЯДКА ПОЯВЛЯЕТСЯ ПОСЛЕ ПЕРЕГОЗОВ
Ну а че магарыч-то? Если при включении зажигания контролька генератора горит на приборк, то генератор надо отдавать профессиональным ремонтникам генераторов. Помимо щеток и РР в генераторе довольно много других деталей
-
gastorbayter_
- Сообщения: 43
- Зарегистрирован: Ср июн 22, 2011 12:19 am
- Откуда: новороссийск
Re: РЕНО ПРЕМИУМ 2003 ГОД ЗАРЯДКА ПОЯВЛЯЕТСЯ ПОСЛЕ ПЕРЕГОЗОВ
На приборной панели ошибок нет
- Antart
- Сообщения: 216
- Зарегистрирован: Вт апр 06, 2010 10:52 pm
- Откуда: Ижевск Удмуртия
- Контактная информация:
Re: РЕНО ПРЕМИУМ 2003 ГОД ЗАРЯДКА ПОЯВЛЯЕТСЯ ПОСЛЕ ПЕРЕГОЗОВ
Зарядка появляется после перегазовки - нет возбуждения генератора при включении зажигания......
-
gastorbayter_
- Сообщения: 43
- Зарегистрирован: Ср июн 22, 2011 12:19 am
- Откуда: новороссийск
Re: РЕНО ПРЕМИУМ 2003 ГОД ЗАРЯДКА ПОЯВЛЯЕТСЯ ПОСЛЕ ПЕРЕГОЗОВ
Сейчас звонил электрику,он сказал сто процентов Щетки с регулятором,стояли щетки монарх сейчас поставили хелла,он сказал вы плохое на плохое меняете,ставьте оригинал,25-й провод сказал смысла нет прозванивать
-
gastorbayter_
- Сообщения: 43
- Зарегистрирован: Ср июн 22, 2011 12:19 am
- Откуда: новороссийск
Re: РЕНО ПРЕМИУМ 2003 ГОД ЗАРЯДКА ПОЯВЛЯЕТСЯ ПОСЛЕ ПЕРЕГОЗОВ
Зарядка появляется после перегазовки - нет возбуждения генератора при включении зажигания......
Ну так пр это и разговор,куда копать?
Ну так пр это и разговор,куда копать?
-
gastorbayter_
- Сообщения: 43
- Зарегистрирован: Ср июн 22, 2011 12:19 am
- Откуда: новороссийск
Re: РЕНО ПРЕМИУМ 2003 ГОД ЗАРЯДКА ПОЯВЛЯЕТСЯ ПОСЛЕ ПЕРЕГОЗОВ
Похожая ситуация только у кого-то на легковой с сайта драйв,но там проблема с лампочкой на приборке,а тут лампочки же нет,может правда что то в приборке?Наш электрик сказал НЕТ
Такая ситуация завожу машину напряжение 12В т.е.
зарядка не идет (проверял скидывал клему минуса машина глохнет)
НО если перегазуюсь примерно до 3000 об то заряд 13.5-13.6 даже на ХХ (скидывал клему не глохнет).
Менял генератор брал у друга у которого все в порядке, повторяется та же ситуация нет заряда до перегазовки, менял ремень, менял РН со щетками, кольца на валу норм, ситуация не изменилась.
АКБ новый купил.
Замерял все обмотки ОБРЫВОВ и КЗ нету,
Диодный мост прозванивал все диоды нормальные.
Единственное у меня лампа на приборке не работает.
Что может быть? кто что скажет? незнаю что и думать теперь…
Такая ситуация завожу машину напряжение 12В т.е.
зарядка не идет (проверял скидывал клему минуса машина глохнет)
НО если перегазуюсь примерно до 3000 об то заряд 13.5-13.6 даже на ХХ (скидывал клему не глохнет).
Менял генератор брал у друга у которого все в порядке, повторяется та же ситуация нет заряда до перегазовки, менял ремень, менял РН со щетками, кольца на валу норм, ситуация не изменилась.
АКБ новый купил.
Замерял все обмотки ОБРЫВОВ и КЗ нету,
Диодный мост прозванивал все диоды нормальные.
Единственное у меня лампа на приборке не работает.
Что может быть? кто что скажет? незнаю что и думать теперь…
-
gastorbayter_
- Сообщения: 43
- Зарегистрирован: Ср июн 22, 2011 12:19 am
- Откуда: новороссийск
Re: РЕНО ПРЕМИУМ 2003 ГОД ЗАРЯДКА ПОЯВЛЯЕТСЯ ПОСЛЕ ПЕРЕГОЗОВ
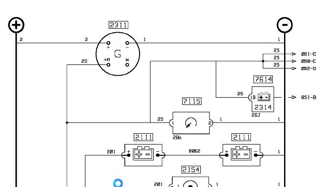
Ребят может кто сказать куда идет провод 25?Кто нибудь что нибудь говорите
- Кураныч
- Сообщения: 1197
- Зарегистрирован: Сб фев 18, 2012 11:31 pm
- Откуда: Россия,Ростовская обл. г.Каменск-Шахтинский
Re: РЕНО ПРЕМИУМ 2003 ГОД ЗАРЯДКА ПОЯВЛЯЕТСЯ ПОСЛЕ ПЕРЕГОЗОВ
Лампочка контроля генератора должна гореть перед запуском мотора.
ваш электрик не прав. 25 провод при таких симптомах проверять в первую очередь. лампочка зарядки в авто вашего года ещё есть и никакие ошибки тут ни при чём.
ваш электрик не прав. 25 провод при таких симптомах проверять в первую очередь. лампочка зарядки в авто вашего года ещё есть и никакие ошибки тут ни при чём.
- Кураныч
- Сообщения: 1197
- Зарегистрирован: Сб фев 18, 2012 11:31 pm
- Откуда: Россия,Ростовская обл. г.Каменск-Шахтинский
Re: РЕНО ПРЕМИУМ 2003 ГОД ЗАРЯДКА ПОЯВЛЯЕТСЯ ПОСЛЕ ПЕРЕГОЗОВ
от генератора с клеммы Д+ до приборной панели на лампочку контроля генератораgastorbayter_ писал(а):куда идет провод 25?
-
gastorbayter_
- Сообщения: 43
- Зарегистрирован: Ср июн 22, 2011 12:19 am
- Откуда: новороссийск
Re: РЕНО ПРЕМИУМ 2003 ГОД ЗАРЯДКА ПОЯВЛЯЕТСЯ ПОСЛЕ ПЕРЕГОЗОВ
Сейсас разговаривал еще с другим электриком( правда по легковым машинам) он сказал что три диода на возбуждение и шесть еще каких то, какой то из диодов троит, или же проверяй нагрузочной вилкой АКБ
-
gastorbayter_
- Сообщения: 43
- Зарегистрирован: Ср июн 22, 2011 12:19 am
- Откуда: новороссийск
Re: РЕНО ПРЕМИУМ 2003 ГОД ЗАРЯДКА ПОЯВЛЯЕТСЯ ПОСЛЕ ПЕРЕГОЗОВ
Кураныч спасибо,посмотрю отпишусь
Re: РЕНО ПРЕМИУМ 2003 ГОД ЗАРЯДКА ПОЯВЛЯЕТСЯ ПОСЛЕ ПЕРЕГОЗОВ
Если после перегазовки зарядка нормализуется ,значит нет напряжения пред возбуждения.Это 25-й провод. И генератор возбуждается за счет остаточной намагниченности ротора на больших оборотах.Никакие диоды тут ни при чём.Но контакт в цепи провода возбуждения может пропасть где угодно, в том числе и внутри генератора.
-
gastorbayter_
- Сообщения: 43
- Зарегистрирован: Ср июн 22, 2011 12:19 am
- Откуда: новороссийск
Re: РЕНО ПРЕМИУМ 2003 ГОД ЗАРЯДКА ПОЯВЛЯЕТСЯ ПОСЛЕ ПЕРЕГОЗОВ
drager спасибо