ошибки по volvo для удобства
-
- Сообщения: 339
- Зарегистрирован: Чт янв 05, 2012 4:53 pm
- Откуда: Кривой Рог
- Контактная информация:
ошибки по volvo для удобства
под пивкО, попался удобоваримій ресурс, от нечего делать пока качается образ NG-шки, сделал вот такую х,,,,нь, если кому не нравится не обессудьте ( ну или проще: "не нравится - не ешь!"). А поправочки и допы приветствуются.
- Вложения
-
- VOLVO.rar
- (70.2 КБ) 993 скачивания
- МишаДиагност
- Сообщения: 345
- Зарегистрирован: Сб сен 07, 2013 10:07 pm
- Откуда: Россия, Новороссийск
- Контактная информация:
Re: ошибки по volvo для удобства
Спасибо 

-
- Сообщения: 339
- Зарегистрирован: Чт янв 05, 2012 4:53 pm
- Откуда: Кривой Рог
- Контактная информация:
Re: ошибки по volvo для удобства
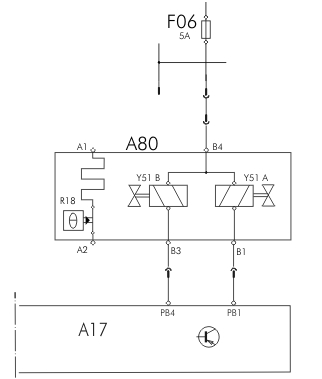
Но что не понял во всей таблице (что и подвинуло меня на этот подвиг) MID144 PSID23 FMI4 (согласно приведенной таблицы (взято и просмотрено в разных источниках)):
MID 144 PSID 23 Регенерация воздухоосушителя FMI 4 Блок управления автомобилем регистрирует на контакте РВ4 или РВ3 напряжение ниже 2,3 В. Обрыв сигнального или питающего провода. Замыкание сигнального провода на массу. Окисление или высокое сопротивление. Неисправен электромагнитный клапан воздухоосушителя.
Согласно схемы РВ4-управление клапаном на водухоосушителе. РВ-3 уходит на шасси интерфейс через МА:15 (откуда уходит куда попало). объясните где туплю (разобраться разобрался - белозеленый провод на осушитель в обрыве, восстановил:воздухоосушитель проходит все тесты)) но причем здесь 2,3в на VECU. Но первый контур таки косячит выдает 2,06В (и давление на панели приборов не доходит до зеленой зоны). В ресиверах давление по 11+-. Т.Е. "Неисправен электромагнитный клапан воздухоосушителя." я устранил. но ошибка не ушла.( заранее: провдка целая. датчики рабочие. Крутил их как веялку(100%))
MID 144 PSID 23 Регенерация воздухоосушителя FMI 4 Блок управления автомобилем регистрирует на контакте РВ4 или РВ3 напряжение ниже 2,3 В. Обрыв сигнального или питающего провода. Замыкание сигнального провода на массу. Окисление или высокое сопротивление. Неисправен электромагнитный клапан воздухоосушителя.
Согласно схемы РВ4-управление клапаном на водухоосушителе. РВ-3 уходит на шасси интерфейс через МА:15 (откуда уходит куда попало). объясните где туплю (разобраться разобрался - белозеленый провод на осушитель в обрыве, восстановил:воздухоосушитель проходит все тесты)) но причем здесь 2,3в на VECU. Но первый контур таки косячит выдает 2,06В (и давление на панели приборов не доходит до зеленой зоны). В ресиверах давление по 11+-. Т.Е. "Неисправен электромагнитный клапан воздухоосушителя." я устранил. но ошибка не ушла.( заранее: провдка целая. датчики рабочие. Крутил их как веялку(100%))
- МишаДиагност
- Сообщения: 345
- Зарегистрирован: Сб сен 07, 2013 10:07 pm
- Откуда: Россия, Новороссийск
- Контактная информация:
Re: ошибки по volvo для удобства
не совсем понял, т.е. куда попало?varvar00 писал(а):РВ-3 уходит на шасси интерфейс через МА:15 (откуда уходит куда попало)
по схеме управление клапанами идет по "массе" соответственно при целой проводке и целых клапанах, в обесточенном состоянии на блоке должно быть напряжение близкое к напряжению питания клапанов, которое идет через пред.varvar00 писал(а):но причем здесь 2,3в на VECU
- Вложения
-
- T3020294.jpg (24.03 КБ) 11565 просмотров
-
- Сообщения: 339
- Зарегистрирован: Чт янв 05, 2012 4:53 pm
- Откуда: Кривой Рог
- Контактная информация:
Re: ошибки по volvo для удобства
Вот и я о том же у тебя на схеме РВ4(-на управление регенерацией), а теперь посмотри на РВ3 куда он идет (на схеме на шасси интерфейс, после просмотра пина МА:15 то на нем висит движок), а как это согласуется с ошибкой. (извините что морочу голову. проблема понятна: не исправен ограничитель давления на 1-й контур ( в ресиверах литров по 5 воды)), но я хочу понять что Вольво хотела сказать данным описаловом.
- МишаДиагност
- Сообщения: 345
- Зарегистрирован: Сб сен 07, 2013 10:07 pm
- Откуда: Россия, Новороссийск
- Контактная информация:
Re: ошибки по volvo для удобства
из импакта
Код неисправности
FMI 3
Анормально высокое напряжение или короткое замыкание на цепь с более высоким напряжением.
Условия регистрации кода неисправности:
Код неисправности регистрируется, если блок управления автомобилем обнаруживает слишком высокое напряжение или короткое замыкание на цепь Uакк. .
Возможная причина:
Короткое замыкание провода сигнала на цепь с более высоким напряжением.
Неисправен электромагнитный клапан.
Реакция блока управления:
Зарегистрирован код неисправности.
Запрашивается включение желтой лампы.
Очевидные внешние признаки:
Горит желтая лампа.
Не осуществляется регенерация воздухоосушителя.
Соответствующая проверка:
Выполните поиск неисправности проводки и компонентов.
FMI 4
Анормально низкое напряжение или короткое замыкание на цепь с более низким напряжением.
Условия регистрации кода неисправности:
Если блок управления автомобилем обнаруживает напряжение ниже 2,3 В при незадействованной функции, блок управления интерпретирует это как неполадки и регистрирует код неисправности.
Возможная причина:
Обрыв провода питания.
Обрыв провода сигнала.
Короткое замыкание на “массу” провода сигнала.
Контактное сопротивление и окисление в разъеме.
Неисправен электромагнитный клапан.
Реакция блока управления:
Зарегистрирован код неисправности.
Запрашивается включение желтой лампы.
Очевидные внешние признаки:
Горит желтая лампа.
Не осуществляется регенерация воздухоосушителя.
Соответствующая проверка:
Выполните поиск неисправности проводки и компонентов.
Код неисправности
FMI 3
Анормально высокое напряжение или короткое замыкание на цепь с более высоким напряжением.
Условия регистрации кода неисправности:
Код неисправности регистрируется, если блок управления автомобилем обнаруживает слишком высокое напряжение или короткое замыкание на цепь Uакк. .
Возможная причина:
Короткое замыкание провода сигнала на цепь с более высоким напряжением.
Неисправен электромагнитный клапан.
Реакция блока управления:
Зарегистрирован код неисправности.
Запрашивается включение желтой лампы.
Очевидные внешние признаки:
Горит желтая лампа.
Не осуществляется регенерация воздухоосушителя.
Соответствующая проверка:
Выполните поиск неисправности проводки и компонентов.
FMI 4
Анормально низкое напряжение или короткое замыкание на цепь с более низким напряжением.
Условия регистрации кода неисправности:
Если блок управления автомобилем обнаруживает напряжение ниже 2,3 В при незадействованной функции, блок управления интерпретирует это как неполадки и регистрирует код неисправности.
Возможная причина:
Обрыв провода питания.
Обрыв провода сигнала.
Короткое замыкание на “массу” провода сигнала.
Контактное сопротивление и окисление в разъеме.
Неисправен электромагнитный клапан.
Реакция блока управления:
Зарегистрирован код неисправности.
Запрашивается включение желтой лампы.
Очевидные внешние признаки:
Горит желтая лампа.
Не осуществляется регенерация воздухоосушителя.
Соответствующая проверка:
Выполните поиск неисправности проводки и компонентов.
- МишаДиагност
- Сообщения: 345
- Зарегистрирован: Сб сен 07, 2013 10:07 pm
- Откуда: Россия, Новороссийск
- Контактная информация:
Re: ошибки по volvo для удобства
Про PB-3 не нашёл там.
-
- Сообщения: 339
- Зарегистрирован: Чт янв 05, 2012 4:53 pm
- Откуда: Кривой Рог
- Контактная информация:
Re: ошибки по volvo для удобства
т.е. если я правильно понимаю то 2,3в никак не связаны с показаниями датчиков давления на панели-это проверочное напряжение?
- МишаДиагност
- Сообщения: 345
- Зарегистрирован: Сб сен 07, 2013 10:07 pm
- Откуда: Россия, Новороссийск
- Контактная информация:
Re: ошибки по volvo для удобства
Ну я пока связи не увидел, может чего недопонял)))
-
- Сообщения: 339
- Зарегистрирован: Чт янв 05, 2012 4:53 pm
- Откуда: Кривой Рог
- Контактная информация:
Re: ошибки по volvo для удобства
вот и я теперь о том же, у меня 1-й контур показывал давление ниже "зеленки", ошибка была мид144 псид23 фми 4, описание выше. я меряю Vдатчика №1 и вижу на нем 2,03v, меряю датчик №2 2,6v, на основании єтого начинаю половую жизнь с датчиками. Но как любитель группового, решил заодно проверять и питание воздухоосушителя, после замені бело-зеленого (схема не на єтом компе) все начало работать ошибка ушла. но 1-й контур как не качало так и накачивает. Вот в єтом и возник трабл. Совпадение проблем которые водили меня по кругу."ЗАМУРОВАЛИ ДЕМОНЫ!". А по итогу открыл пневмосхемы и разъединил проблемы у себя в голове, но уже с твоей помощью. СПС! а РВ3 есть ссылается на схему (если память не изменяет) на СР:2А\ МА15