Страница 1 из 2
MAN TGS 28.360 6x2 проблемы с поднятием "ленивца"
Добавлено: Сб апр 07, 2018 1:11 am
Matr
Добрый день. Прошу помощи, не могу разобраться в одном вопросе. Не поднимается подъемная ось на MAN TGS 28.360 6x2. "Ленивец" с четырьмя несущими подушками и двухскатными колесами, позади ведущей оси. Перед на рессорах.
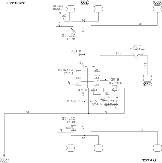
Ошибок нет. При нажатии на клавишу начинает накачиваться подъемная подушка, однако стравливания воздуха из несущих не происходит, остаются твердыми, как барабаны. В результате колеса или вовсе не отрываются от земли или поднимаются на пару сантиметров. На блоке клапанов к порту 32 подключен клапан, обозначенный на найденной мною схеме как "G22.62 клапан аварийного растормаживания", к нему идет так же трубка от клапана ограничения давления на 0,7 бар. Какова функция этого G22.62?
Я понимаю, что в несущих подушках при подъеме оси должно оставаться 0,7 бар, но не совсем понимаю, как тут это реализуется. Клапан G22.62 стравливает воздух из порта 32 до тех пор, пока давление не уравняется с управляющим 0,7 бар? Просто ни в одной из схем от Wabco я не нашел такого решения. По идее, если G22.62 или G5.8 не работают, как положено, несущие подушки могут не стравливаться. Но при этом при опущенном "ленивце" и опускании подвески они прекрасно стравливаются. К сожалению, не имею возможности проверить что-либо манометром, т. к. его просто нет. Откручивал трубку от G5.8, оттуда идет воздух под небольшим давлением, похоже на 0,7 бар, легко затыкается пальцем. Я понимаю, что бред, палец - это не способ, но других вариантов нет на данный момент.
Либо я дурак, либо одно из двух... а может схема неверная. Кстати, вот она

- схема_задней_подвески1.jpg (46.32 КБ) 18821 просмотр
Re: MAN TGS 28.360 6x2 проблемы с поднятием "ленивца"
Добавлено: Сб апр 07, 2018 2:51 am
acckiy
Все верно. Только кнопку не ту жмёте.
Есть клавиша "подъём оси", при нажатии на которую подъёмная ось вывешивается, а есть клавиша "помощь при трогании", которая задействует перенос веса на ведущую ось путем приподнимания подъёмной.
А насчет ограничения давления 0,7 Бар - так и должно быть.
Ищите "правильную" клавишу и все заработает.
Re: MAN TGS 28.360 6x2 проблемы с поднятием "ленивца"
Добавлено: Сб апр 07, 2018 4:21 am
Matr
Не,я может конечно где и туплю, но не настолько же. Вот. Жму самую правую сверху.
Re: MAN TGS 28.360 6x2 проблемы с поднятием "ленивца"
Добавлено: Сб апр 07, 2018 9:42 am
Балбес2
А что в мониторинге датчик давления в подушке показывает?
Re: MAN TGS 28.360 6x2 проблемы с поднятием "ленивца"
Добавлено: Сб апр 07, 2018 11:59 am
Matr
acckiy писал(а):Все верно. Только кнопку не ту жмёте.
.........
Ищите "правильную" клавишу и все заработает.
Даже если и так, все равно оно работает криво. При переносе нагрузки на ведущую в несущих подушках подъемной оси воздух сбрасывается, в подъемной нагнетается. А у меня не сбрасывается. В качестве проверки можно отсоединить от порта 32 этот чудо-клапан?
Балбес2 писал(а):А что в мониторинге датчик давления в подушке показывает?
Это проверил сразу. При опущенной подъемной оси 1,6 бар, при попытках ее поднять возрастает до 3,6-3,7.
Re: MAN TGS 28.360 6x2 проблемы с поднятием "ленивца"
Добавлено: Сб апр 07, 2018 1:57 pm
acckiy
Matr писал(а):А у меня не сбрасывается
А почему должно-то? Где написано такое?
Matr писал(а):Жму самую правую сверху.
Если другую нажать, что произойдет?
Re: MAN TGS 28.360 6x2 проблемы с поднятием "ленивца"
Добавлено: Сб апр 07, 2018 3:06 pm
valera008
А чем диагностируете ???
Активировали в диагностике поднятие ленивца ???
Re: MAN TGS 28.360 6x2 проблемы с поднятием "ленивца"
Добавлено: Сб апр 07, 2018 3:46 pm
Matr
acckiy писал(а):Matr писал(а):А у меня не сбрасывается
А почему должно-то? Где написано такое?
Да везде. В MANовском обучении по ECAS, в публикации WABCO 815 080 027 3. Да это просто логично. Зачем просто передавливать одной подъемной подушкой 4 несущих? Из этого получиться ровно то, что у меня и происходит. А если ось не подъемная, а просто поддерживающая, без подъемной подушки, как тогда помощь при трогании реализуется?
acckiy писал(а):Matr писал(а):Жму самую правую сверху.
Если другую нажать, что произойдет?
Вот это не готов сказать. Сегодня вечером гляну. Светодиод в ней загорается точно, давление в ведущей увеличивается, а вот спускаются ли подушки подъемной, как-то не глянул.
valera008 писал(а):А чем диагностируете ???
Активировали в диагностике поднятие ленивца ???
MANCatsIII. Насколько помню там нет кнопки "поднять ось". Отдельно клапанами можно пощелкать. Кстати, что-то недопетрил сразу, можно же активировать спуск воздуха из подушек подъемной оси. Попробую, спасибо.
Самое главное то, что я спрашивал. Если открыть 32-й выход, при исправном блоке клапанов, ничего уже не должно мешать выходу воздуха из несущих подушек подъемной оси?
Re: MAN TGS 28.360 6x2 проблемы с поднятием "ленивца"
Добавлено: Сб апр 07, 2018 6:34 pm
acckiy
Matr писал(а):Да везде. В MANовском обучении по ECAS, в публикации WABCO 815 080 027 3
Да? Там так и написано? "Автомобиль MAN TGS 28.360 6x2, гос. номер такой-то, VIN такой-то, должен опорожнять несущие пневмобаллоны подъёмной оси"?
А как же там разница между Tag, Pusher и Bogie? Или как быть с локальным законодательством? Например, с разницей в своде правил германии и Швеции, по-разному реализующими понятие traction help?
Может, в данном автомобиле кто-то пошерудил ручками и WABCO. Или, что хуже - Autocom-ом.
Re: MAN TGS 28.360 6x2 проблемы с поднятием "ленивца"
Добавлено: Сб апр 07, 2018 8:47 pm
Matr
Ну Вы уже в дебри полезли. Я не буду себя пяткой в грудь бить, что там никто не лазил. Скажу, что это машина сделана для российского рынка, куплена здесь официально. Это термофургон с холодильником, рассчитанный еще и на буксировку прицепа. Все проверки я проводил без прицепа, его влияние исключено. Сразу не сказал, не думал что это так важно.
Я не настолько досконально знаю эту систему (иначе не задавал бы вопросов), но в той самой публикации Wabco на стр. 8 написано следующее
Код: Выделить всё
3.8 Помощь при трогании
В ТС класса 6х2 возможно реализовать функцию "Вспомогательная сила при трогании ТС", если груз
достигает достаточной высоты(???). С уменьшением давления на пневмоподушки подъёмной оси или,
иначе говоря, с помощью приподнятия подъёмной оси происходит увеличение нагрузки на ведущую
ось ТС с целью повышения силы тяги. (Рис. 2)
Дальше идет описание различных вариантов в соответствии с законодательством, как Вы и говорите, но все эти различия касаются, в основном, ограничений по скорости ТС и по времени использования этой функции.
Если возможно при помощи MANCats как-то проверить правильность параметрирования, расскажите, пожалуйста, как это сделать. Я этого не знаю. В руководстве по эксплуатации ТС указано, помощь при трогании отключается при достижении скорости в 30 км/ч, может и еще что-то, уже не помню точно.
Re: MAN TGS 28.360 6x2 проблемы с поднятием "ленивца"
Добавлено: Сб апр 07, 2018 11:52 pm
acckiy
Matr писал(а):с помощью приподнятия подъёмной оси происходит увеличение нагрузки на ведущую
ось ТС с целью повышения силы тяги.
Matr писал(а):В результате колеса или вовсе не отрываются от земли или поднимаются на пару сантиметров.
Ну, и где сказано, что ось должна именно вывешиваться?
Что с результатами нажатия на другую клавишу?
Re: MAN TGS 28.360 6x2 проблемы с поднятием "ленивца"
Добавлено: Вс апр 08, 2018 2:18 am
acckiy
Matr писал(а):проверить правильность параметрирования
От FFR замену сделать. Или взять Wabco и проверить параметры.
Re: MAN TGS 28.360 6x2 проблемы с поднятием "ленивца"
Добавлено: Вс апр 08, 2018 9:22 am
borisich-a
Если не ошибаюсь , на сброс 23 , порт, был похожий случай , причём по оф схеме он заглушен , в атмосферу его , и все встало на свои места.
Re: MAN TGS 28.360 6x2 проблемы с поднятием "ленивца"
Добавлено: Вс апр 08, 2018 1:31 pm
Matr
borisich-a писал(а):Если не ошибаюсь , на сброс 23 , порт, был похожий случай , причём по оф схеме он заглушен , в атмосферу его , и все встало на свои места.
Ну до этого-то он как-то работал с заглушенным. Странный способ.
acckiy писал(а):Ну, и где сказано, что ось должна именно вывешиваться?
Что с результатами нажатия на другую клавишу?
Да блин... писец.... Я прошу прощения.... Машину отправили в рейс. С нашим руководством хрен что починишь нормально. Лишь бы ехала. Получается, что я зря тут всю эту тему поднял... Когда она теперь вернется.... Но разобраться все-таки надо.
Сегодня проверил на такой же исправной машине, дабы далее не тупить. Нажимаю на кнопку подъема оси ось поднимается (логично), в клавише загорается оранжевый диод. При нажатии на помощь при трогании ось поднимается (на ту же высоту, в подушках остается небольшое давление), диоды загораются в обеих клавишах. Далее при достижении 30 км/ч ось опускается. Это на пустой машине.
Давление по датчику на ведущей во всех режимах здесь такое же.
Re: MAN TGS 28.360 6x2 проблемы с поднятием "ленивца"
Добавлено: Вс апр 08, 2018 6:57 pm
Anatoli
там либо редуктор не держыт 0,7 бар, либо какой то клапан закис от конденсата. Ещё бывает межвитковое в соленоиде, и не работает и нет ошибки.