А сколько тогда в красной? и сколько в энергоакумуляторах тягача, когда последний снят с паркинга?pino писал(а):тягача на ручнике 12 кило на желтой
RENAULT MAGNUM + прицеп с WABCO TEBS-E
Re: рено магнум+ прицеп с teds-e
-
pino
- Сообщения: 539
- Зарегистрирован: Чт ноя 25, 2010 6:49 pm
- Откуда: петрозаводск
- Контактная информация:
Re: рено магнум+ прицеп с teds-e
померять небыло возможности в эныргоакумуляторах так как не было переходников под рукой а в красной все нормально
- syava
- Сообщения: 3561
- Зарегистрирован: Ср май 14, 2008 5:29 pm
- Откуда: Украина г.Луцк
- Контактная информация:
Re: рено магнум+ прицеп с teds-e
так не бывает! Советую ознакомится с принцыпом работы пневмо систем!pino писал(а):а в красной все нормально
- Игорь Truck
- Сообщения: 12
- Зарегистрирован: Сб апр 12, 2014 4:59 pm
- Откуда: Tashkent
Re: рено магнум+ прицеп с teds-e
На желтой голове давление должно быть только при торможении или при включенном стояночном тормозе. При выключенном стояночном тормозе и не нажатой тормозной педали на желтой голове должно быть 0 бар. Ежели давление есть выясняешь откуда, с тягача или прицепа. А сам тягач не подтормаживает?
-
pino
- Сообщения: 539
- Зарегистрирован: Чт ноя 25, 2010 6:49 pm
- Откуда: петрозаводск
- Контактная информация:
Re: RENAULT MAGNUM + прицеп с WABCO TEBS-E
да парни с прицепом все в порядке зацепили за другую машину прицеп в рейс ухал
проблемма в машине
проблемма в машине
Re: RENAULT MAGNUM + прицеп с WABCO TEBS-E
а чем намеряли? еслиpino писал(а):в красной все нормально
К автомобилю вообще манометер механический подключали? Переходник один ко всем контрольным штуцерам.pino писал(а):так как не было переходников под рукой
- syava
- Сообщения: 3561
- Зарегистрирован: Ср май 14, 2008 5:29 pm
- Откуда: Украина г.Луцк
- Контактная информация:
Re: RENAULT MAGNUM + прицеп с WABCO TEBS-E
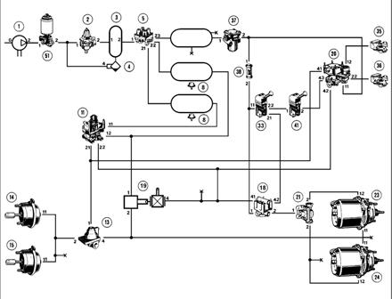
Вот самая примитивная схема подключения клапана тормозов прицепа,если на желтой 12 то посмотрите по схеме,как в красной может быть норма?
- Вложения
-
- Безымянный.JPG (23.96 КБ) 11411 просмотров
-
pino
- Сообщения: 539
- Зарегистрирован: Чт ноя 25, 2010 6:49 pm
- Откуда: петрозаводск
- Контактная информация:
Re: RENAULT MAGNUM + прицеп с WABCO TEBS-E
именно механникой и мерял а на прицепе нет контрольных штуцеров на выходах с модулятора
-
pino
- Сообщения: 539
- Зарегистрирован: Чт ноя 25, 2010 6:49 pm
- Откуда: петрозаводск
- Контактная информация:
Re: RENAULT MAGNUM + прицеп с WABCO TEBS-E
за схему спасибо
-
pino
- Сообщения: 539
- Зарегистрирован: Чт ноя 25, 2010 6:49 pm
- Откуда: петрозаводск
- Контактная информация:
Re: RENAULT MAGNUM + прицеп с WABCO TEBS-E
парни тема закрыта проблема в тягаче клиент от ремонта пока отказался спасибо всем

Re: RENAULT MAGNUM + прицеп с WABCO TEBS-E
Вечер добрый! У меня тоже чудеса с телегой. Чуть на педаль тормоза нажимаешь - и телега в юз уходит, даже те оси которые без энергочей. Пробовали другую подцеплять, с барабанными тормозами - тоже самое. Но стоя на месте, подержав педаль тормоза более 10 секунд на полном выжиме, происходят сбросы давления сначала на кранах тягача и сразу на прицепе, после чего все нормализуется до очередного выключения зажигания. Именно после выключения зажигания проблема возникает заново, вне зависимости от того на сколько было выключено зажигание - хоть на секунду, т.е. воздух из системы полюбому не успевает выйти. В следствии чего возникает предположение об электрическом происхождении проблемы...... но это предположение.
Хотелось бы услышать мнение профи....
Хотелось бы услышать мнение профи....
Re: RENAULT MAGNUM + прицеп с WABCO TEBS-E
что за тягач и какие по нему ошибки есть?
Re: RENAULT MAGNUM + прицеп с WABCO TEBS-E
Renault Magnum 2003 года, двигатель MAC, VIN VF611GTA000122207RTS писал(а):что за тягач и какие по нему ошибки есть?
Ошибки позже - машина в движении.
- syava
- Сообщения: 3561
- Зарегистрирован: Ср май 14, 2008 5:29 pm
- Откуда: Украина г.Луцк
- Контактная информация:
Re: RENAULT MAGNUM + прицеп с WABCO TEBS-E
трейлер контроль дефект на приборке пишет? Модулятор на прицепе при включении зажигания подает признаки жизни? (пшик-пшик делает?)
- igor_oksana
- Сообщения: 847
- Зарегистрирован: Ср фев 09, 2011 11:52 pm
- Откуда: 066-413-35-13 Кропивницький У К Р А И Н А
Re: RENAULT MAGNUM + прицеп с WABCO TEBS-E
Кран управления прицепом на тягаче. Точно покажет диагностика.Tanushkin писал(а):чудеса с телегой... Пробовали другую подцеплять - тоже самое.