Страница 1 из 1
VOLVO FM12 2000г. Горный тормоз
Добавлено: Сб фев 25, 2017 5:03 pm
Mkhitar
всем привет!
кто то знает Распиновку разъема крана горного тормоза? Машина Volvo FM12 2000г.
Re: VOLVO FM12 2000г. Горный тормоз
Добавлено: Сб фев 25, 2017 11:40 pm
Кураныч
Mkhitar писал(а):крана горного тормоза?
это что за кран такой ?
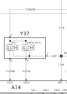
Y37 что ли ?
Re: VOLVO FM12 2000г. Горный тормоз
Добавлено: Сб фев 25, 2017 11:44 pm
Кураныч

- ScreenShot006.jpg (13.61 КБ) 4727 просмотров
Re: VOLVO FM12 2000г. Горный тормоз
Добавлено: Вс фев 26, 2017 8:55 pm
Mkhitar
вот такой кран))))))))