MAN TGX 2008 г. хенде-хох

mike058
Сообщения: 77
Зарегистрирован: Вс ноя 10, 2013 3:05 pm
Откуда: Пенза

Re: MAN TGX 2008 г. хенде-хох

Сообщение mike058 »

den_2001 писал(а):Смотри, что видит в параметрах FFR
обнаружился еще один косяк FFR ошибка 648 FAN, датчик скорости неисправен
при удалении вроде бы перестает вылазить предупреждение.
это обрыв в муфте как я понимаю?
mike058
Сообщения: 77
Зарегистрирован: Вс ноя 10, 2013 3:05 pm
Откуда: Пенза

Re: MAN TGX 2008 г. хенде-хох

Сообщение mike058 »

Посмотрел вроде по муфте 647-я ошибка должна быть, а 648-я что-то другое?
k0ldun
Сообщения: 1813
Зарегистрирован: Сб мар 14, 2009 12:47 am
Откуда: Санкт-Петербург
Контактная информация:

Re: MAN TGX 2008 г. хенде-хох

Сообщение k0ldun »

mike058 писал(а):один косяк FFR ошибка 648 FAN
очень интересно...
а можно увидеть фотку с панели ?
или скрин с диагностики...
mike058
Сообщения: 77
Зарегистрирован: Вс ноя 10, 2013 3:05 pm
Откуда: Пенза

Re: MAN TGX 2008 г. хенде-хох

Сообщение mike058 »

k0ldun писал(а):а можно увидеть фотку с панели ?
или скрин с диагностики...
Вложения
199-2.jpg
199-2.jpg (84.98 КБ) 7985 просмотров
199-1.jpg
199-1.jpg (86.33 КБ) 7985 просмотров
Аватара пользователя
Кураныч
Сообщения: 1197
Зарегистрирован: Сб фев 18, 2012 11:31 pm
Откуда: Россия,Ростовская обл. г.Каменск-Шахтинский

Re: MAN TGX 2008 г. хенде-хох

Сообщение Кураныч »

вот
Вложения
ScreenShot001.jpg
ScreenShot001.jpg (73.25 КБ) 7977 просмотров
k0ldun
Сообщения: 1813
Зарегистрирован: Сб мар 14, 2009 12:47 am
Откуда: Санкт-Петербург
Контактная информация:

Re: MAN TGX 2008 г. хенде-хох

Сообщение k0ldun »

ну дык...
по датчику скорости и трабл , а не по соленоиду...
проводочки опять таки и сам блок , а потом и муфта в сборе....
mike058
Сообщения: 77
Зарегистрирован: Вс ноя 10, 2013 3:05 pm
Откуда: Пенза

Re: MAN TGX 2008 г. хенде-хох

Сообщение mike058 »

нихт ферштейн. переведите кратко что это? это к муфте относится?
k0ldun писал(а):по датчику скорости и трабл , а не по соленоиду...
датчик скорости на муфте находится? или отдельно стоит?
Аватара пользователя
Кураныч
Сообщения: 1197
Зарегистрирован: Сб фев 18, 2012 11:31 pm
Откуда: Россия,Ростовская обл. г.Каменск-Шахтинский

Re: MAN TGX 2008 г. хенде-хох

Сообщение Кураныч »

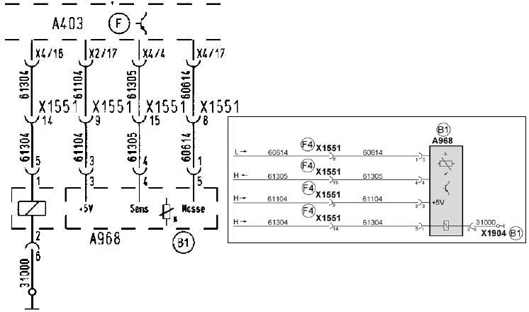
не ну ваще, а ......
что там переводить?
пин 1 - масса датчика
2-масса муфты
3-питание датчика 5 болтов
4-сигнал с датчика на ФФР
5-с ФФР на муфту, управление
6- не используеться.....вот и проверяйте
номера проводов указаны, думаю догодаетесь :twisted:
mike058
Сообщения: 77
Зарегистрирован: Вс ноя 10, 2013 3:05 pm
Откуда: Пенза

Re: MAN TGX 2008 г. хенде-хох

Сообщение mike058 »

Кураныч писал(а):что там переводить?
у меня немецкий на уровне "Республики Шкид" - цацки пецки )))
с тестером дружу - буду проверять
Аватара пользователя
igor_oksana
Сообщения: 847
Зарегистрирован: Ср фев 09, 2011 11:52 pm
Откуда: 066-413-35-13 Кропивницький У К Р А И Н А

Re: MAN TGX 2008 г. хенде-хох

Сообщение igor_oksana »

Есть такие картинки...
p1.jpg
p1.jpg (40.45 КБ) 7960 просмотров
Аватара пользователя
Кураныч
Сообщения: 1197
Зарегистрирован: Сб фев 18, 2012 11:31 pm
Откуда: Россия,Ростовская обл. г.Каменск-Шахтинский

Re: MAN TGX 2008 г. хенде-хох

Сообщение Кураныч »

mike058 писал(а):у меня немецкий на уровне........
анологично,..... но комп нафига? промт?, гугл?, или только на форуме спрашивать
mike058
Сообщения: 77
Зарегистрирован: Вс ноя 10, 2013 3:05 pm
Откуда: Пенза

Re: MAN TGX 2008 г. хенде-хох

Сообщение mike058 »

Кураныч писал(а):промт?, гугл?
попробовал файнридером - разрешение маленькое, а гуглом набрать все это надо )
valera008
Сообщения: 960
Зарегистрирован: Чт ноя 24, 2011 6:13 pm
Откуда: Odessa
Контактная информация:

Re: MAN TGX 2008 г. хенде-хох

Сообщение valera008 »

Кураныч помогай уже до конца - набери в гугле весь текст, переведи и перешли вопрошающему ))))
Ответить

Вернуться в «Бортовые компьютеры, координаторы: ZBR, VIC, FFR, COO и др.»